
| TN63 Series dimensions B3, B5, and B14. | ||
|
|
||
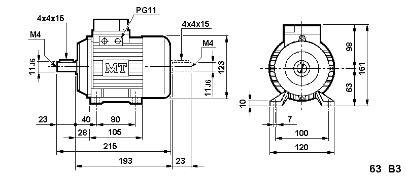
| Dimensions for TN63..B3 Frame motors from MT Electric S.r.l. | ||
![]() |
||
| Dimensions for TN63..B5 Frame motors from MT Electric S.r.l. | ||
![]() |
||
| Dimensions for TN63..B14 Frame motors from MT Electric S.r.l. | ||
